SİKLON GÜVENLİK TANKI

SİKLON GÜVENLİK TANKI

Ürün Kodu: AKN-CYC

Teknik Bilgiler

Emiş Hattı Çapı4" - 5" - 6"
Gövde Malzemesist37 ya da SS304
Maks. Basınç4 bar
Min. Basınç-1 bar

Ürün Detayları

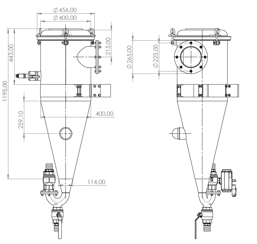
Siklon güvenlik tankı ve nem tutucu, tankların içinde vakum oluşturmak için kullanılan dekompresörlerin giriş hattına uygun olarak monte edilmek üzere tasarlanmıştır. Siklon güvenlik tankı, giriş hattını paslanmaz çelik yüzer bir bilya ile bloke ederek birincil kapatmayı aşabilecek yabancı cisimlerin (sıvılar veya katılar) dekompresörün içine girmesini önler. Siklon, yüksek hızda temizlenecek akışı teğet olarak alan dikey bir silindirden oluşur. Merkezkaç kuvvetinin bir sonucu olarak, sıvının içinde bulunan çeşitli elementler yoğunluklarına göre ayrılır. Arıtılmış sıvı üst eksenel çıkıştan serbest bırakılırken, geri kazanılacak malzeme siklonun alt konik kısmında toplanır ve her işten sonra boşaltılır.

- Tüm versiyonlarda gözetleme camı ve tahliye vanası mevcuttur.

- Opsiyonel tank malzemesi st52, SS304 ve SS316 mevcuttur.

- Sensör yuvası isteğe bağlıdır.

- ADR dönüş hattı ve küresel vana isteğe bağlıdır.

- 300mm (4") ve 400mm (5" ve 6") çaplı versiyonları mevcuttur.

İletişim Formu

Lütfen tüm alanları kontrol ediniz.
Talebiniz iletildi.